





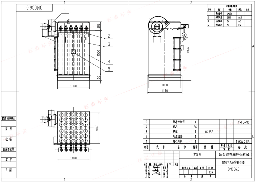
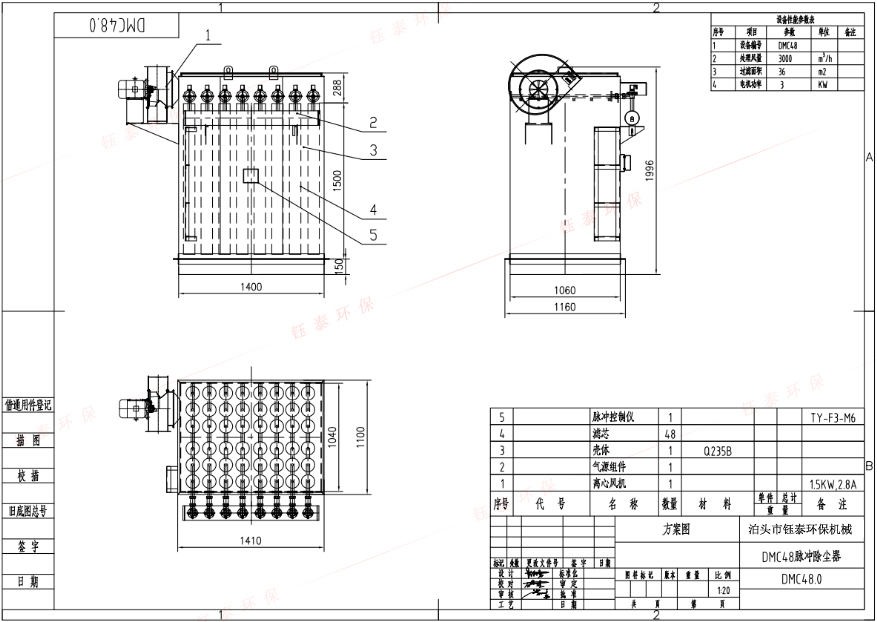
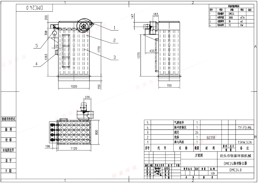
我公司生產的風量500-2000M3/H的水泥倉頂除塵器在市場上很受歡迎,脈沖噴吹設計使其工作效率高。倉頂除塵器是一種小型除塵器。采用圓筒濾袋,自帶系統風機,脈沖噴吹清灰方式,凈化效率高,清灰效果好,阻力小,濾袋壽命長,維護方便,運行安全可靠。
服務電話:13091153069(同微信)

| 設備型號 | 處理風量(m³/h ) | 濾袋數量(只) | 過濾面積(㎡) | 電機功率(Kw) |
| DMC 24 | 540-2160 | 24 | 18 | 1.5 |
| DMC 36 | 810-2880 | 36 | 24 | 2.2 |
| DMC 48 | 1080-3240 | 48 | 36 | 3 |



